4BIT ADDER Circuit
- alienozi Oguz A. Duran
- 16 Tem 2018
- 1 dakikada okunur
Greetings...
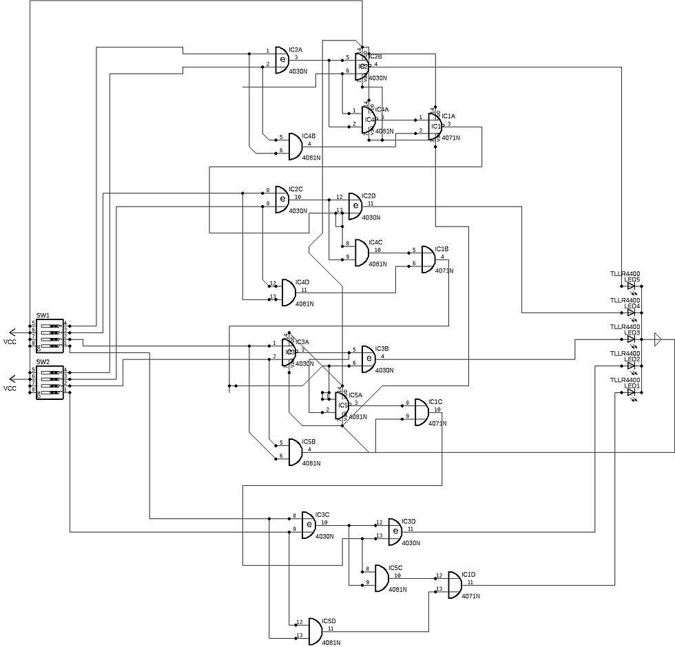
This circuit is a simple yet elegant TTL Level "Shovel Logic" aka Logic Gate level 4 bit adder circuit. Pretty simple no need for explanation there is basically carry out signals.
The PCB is free to use. (please request brd or gerber files via e-mail)
Parts List TOTAL COST: ~20₺
-------------
5V Source
Small Clip-on Wire
(5) LED (Blue is my fav)
(2) 4Position SPS DIP Switch
(2) 4081N AND GATE
(2) 4030N XOR GATE
4071N OR GATE



Yorumlar